
Chapter 6 – SocketEthernet IP (MTXCSEM)
Multi-Tech Systems, Inc. Universal Socket Hardware Guide for Developers (S000342C) 100
Application Notes
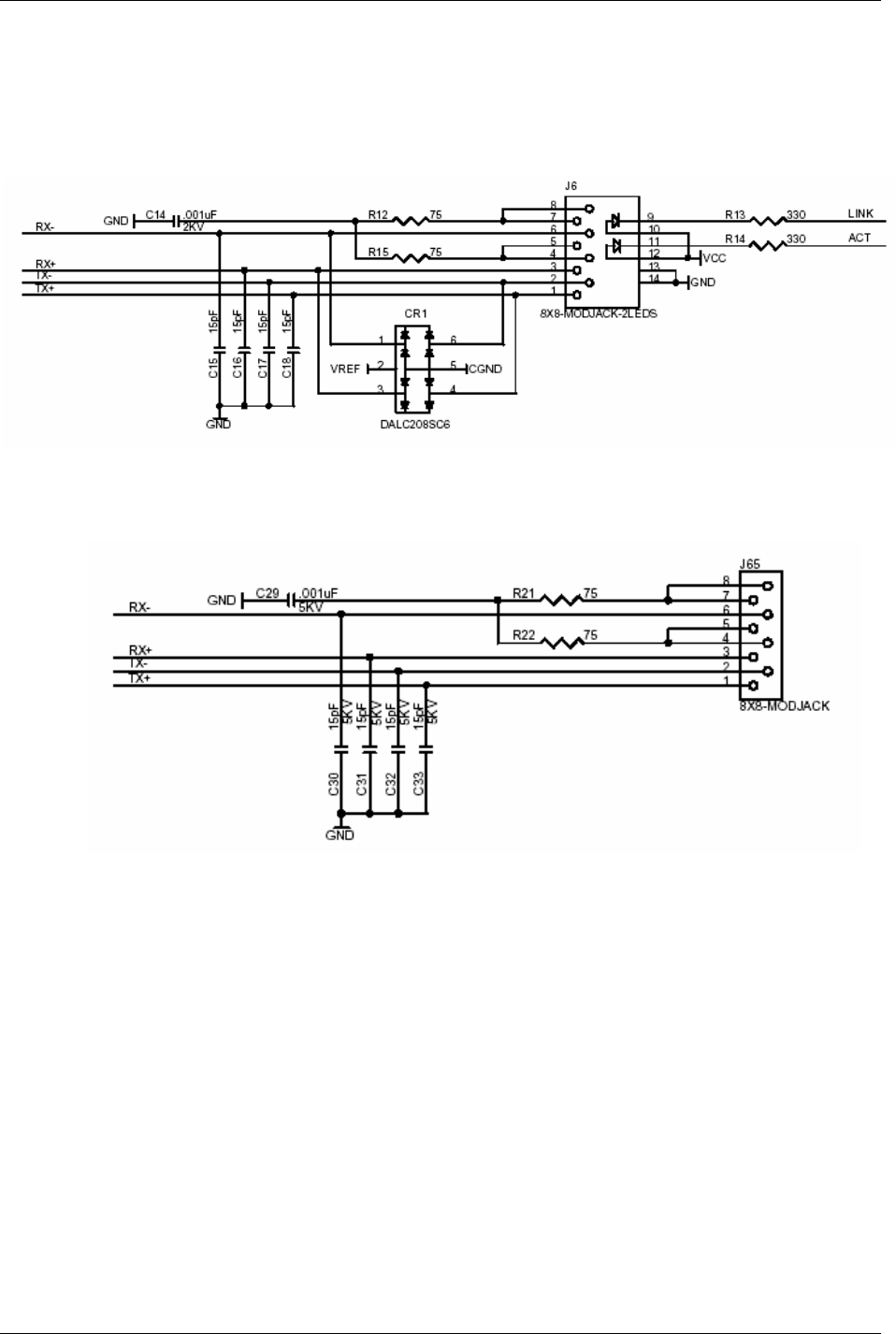
Ethernet Interface – Non-Isolated Design
Note: VREF stands for Power in this drawing.
Ethernet Interface – Isolated Design
Isolated Design Application Note
The MTXCSEM – HV was designed to meet Basic Isolation at 240Vac according to the international medical
directive for safety (EN60601-1). The recommended components for an isolated design comply with the same
standard.
Recommended Parts
Recommended Safety Rated Capacitors: The recommended capacitors are Y2 rated and meet
supplementary isolation at 240Vac along with the required creepages and clearances.
Manufacture – NOVACAP
Part Number – ES2211N(value)K502NXT
Recommended Resistor: The resistors are 75 ohms 1/8 watt.
Recommended Ethernet Modular Jack: The recommended jack is an eight contact, eight position,
unshielded and ungrounded connector that will maintain the need isolation and spacing requirements. A
shielded and grounded connector may be used, but special consideration must be made for the
isolation and spacing requirements.
Manufacture – Stewart Connector Systems
Part Number – SS-6488-NF-K1
Komentáře k této Příručce