Many
Manuals
search
Kategorie
Značky
Domů
Multitech
Sítě
MT5600SMI
Specifikace
Multitech MT5600SMI Specifikace Strana 21
Stažení
Sdílet
Sdílení
Přidat do mých příruček
Tisk
Strana
/
138
Tabulka s obsahem
KNIHY
Hodnocené
.
/ 5. Na základě
hodnocení zákazníků
1
2
3
4
5
6
7
8
9
10
11
12
13
14
15
16
17
18
19
20
21
22
23
24
25
26
27
28
29
30
31
32
33
34
35
36
37
38
39
40
41
42
43
44
45
46
47
48
49
50
51
52
53
54
55
56
57
58
59
60
61
62
63
64
65
66
67
68
69
70
71
72
73
74
75
76
77
78
79
80
81
82
83
84
85
86
87
88
89
90
91
92
93
94
95
96
97
98
99
100
101
102
103
104
105
106
107
108
109
110
111
112
113
114
115
116
117
118
119
120
121
122
123
124
125
126
127
128
129
130
131
132
133
134
135
136
137
138
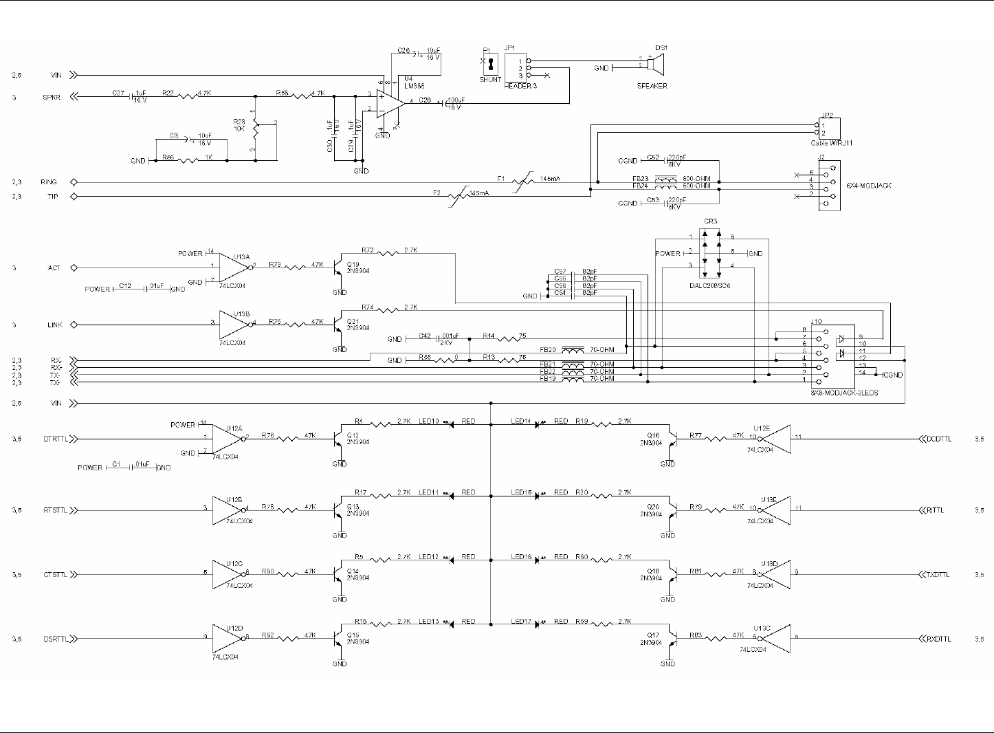
Chapter 1 – Universal Socket Connectivit
y
Multi-Tech Systems, Inc. Universal Socket
Hard
ware Guide for Developers (S000342C)
21
1
2
...
16
17
18
19
20
21
22
23
24
25
26
...
137
138
Universal Socket
1
Connectivity
1
Table of Contents
3
Chapter 1
7
Chapter 1 - Universal Socket
8
Commands
9
Universal Pin Descriptions
10
Design Considerations
13
Maximum Component Height
16
SocketModem Developer Board
17
Telecom Approvals
24
Label Examples
27
Industry Canada
28
South African Statement
29
Flash Upgrade
30
Serial Port Upgrade
31
Ethernet Port Upgrade
32
Programming the Modem
33
Other Programming Concerns
34
Wireless Account Activation
36
Replacement Parts
39
Chapter 2
40
Chapter 2 – SocketModem
41
(MT5600SMI & MT5656SMI)
41
Developer Kit
42
Parallel Configuration
45
Current Modems
46
Overview
49
FCR – FIFO Control Register
52
LCR – Line Control Register
54
LSR – Line Status Register
56
MSR – Modem Status Register
57
SCR – Scratch Register
58
Divisor Registers
58
Microphone and Speaker
60
Recommended Parts
61
Chapter 3
62
Chapter 3 – SocketModem
63
Timing Requirements
69
Registers
70
Time Out Interrupts
72
FCR – FIFO Control
74
LCR – Line Control
74
MCR – Modem Control
74
LSR – Line Status
75
MSR – Modem Status
75
SCR – Scratch
76
DLL – Divisor Latch (LSByte)
76
DLM – Divisor Latch (MSByte)
76
Chapter 4
79
Chapter 4 – SocketModem
80
(MT2456SMI-22)
80
Applications Notes
85
Chapter 5
87
Chapter 5 – SocketModem IP
88
(MT2456SMI-IP)
88
Chapter 6
95
(MTXCSEM)
96
Application Notes
100
Chapter 7
101
Chapter 7 – SocketModem ISDN
102
(MT128SMI)
102
Technical Specifications
103
Serial Configuration
104
Electrical Characteristics
105
MT128SMI Developer Board
106
MT128SMI Schematics
107
Chapter 8
111
Chapter 8 – SocketModem GPRS
112
(MTSMC-G)
112
Mechanical Dimensions
114
SocketModem Configuration
115
MMCX Plug
120
MMCX / SMA Adapter
120
Antenna Cable
120
Chapter 9
121
Chapter 9 – SocketModem CDMA
122
(MTSMC-C)
122
CDMA Antenna
127
Radio Characteristics
127
Chapter 10
128
Chapter 10 – SocketWireless
129
Bluetooth (MTS2BTSMI)
129
Category Description
131
Changing Configuration
135
Antenna Requirements
136
Antenna
136
Komentáře k této Příručce
Žádné komentáře
Publish
Související produkty a manuály pro Sítě Multitech MT5600SMI
Sítě Multitech MTCBA-C-IP-N12 Uživatelský manuál
(17 stránky)
Sítě Multitech FaxFinder FF240-IP Uživatelský manuál
(23 stránky)
Sítě Multitech MVP810-AV Uživatelský manuál
(4 stránky)
Sítě Multitech MTCBA-C-U-N2 Specifikace
(308 stránky)
Sítě Multitech MTCMR-H Specifikace
(56 stránky)
Sítě Multitech CDMA Specifikace
(129 stránky)
Sítě Multitech MT2834BA Uživatelský manuál
(7 stránky)
Sítě Multitech ISIHP-2U Uživatelský manuál
(63 stránky)
Sítě Multitech MT2834BL Specifikace
(225 stránky)
Sítě Multitech MT56DSU-R Uživatelský manuál
(11 stránky)
Sítě Multitech MTSMC-C-N3 Uživatelský manuál
(14 stránky)
Sítě Multitech MT2834ZDX Uživatelský manuál
(20 stránky)
Sítě Multitech MVP30-60 Uživatelský manuál
(4 stránky)
Sítě Multitech MULTIVOIP MVP-810 Uživatelská příručka
(163 stránky)
Sítě Multitech FF830 Uživatelská příručka
(151 stránky)
Sítě Multitech MultiModem MTCBA-G-F4 Uživatelský manuál
(16 stránky)
Sítě Multitech MultiModem ZBA MT9234ZBA Uživatelská příručka
(51 stránky)
Sítě Multitech MTR-C2 Uživatelský manuál
(20 stránky)
Sítě Multitech MultiModem DSVD MT5600DSVD Manuál s instrukcemi
(37 stránky)
Sítě Multitech GFU19 Uživatelský manuál
(210 stránky)
Tisknout dokument
Tisknout stránku 21
Komentáře k této Příručce